来源:广东电力交易中心
发布时间:2025年11月03日
点击数: 2187
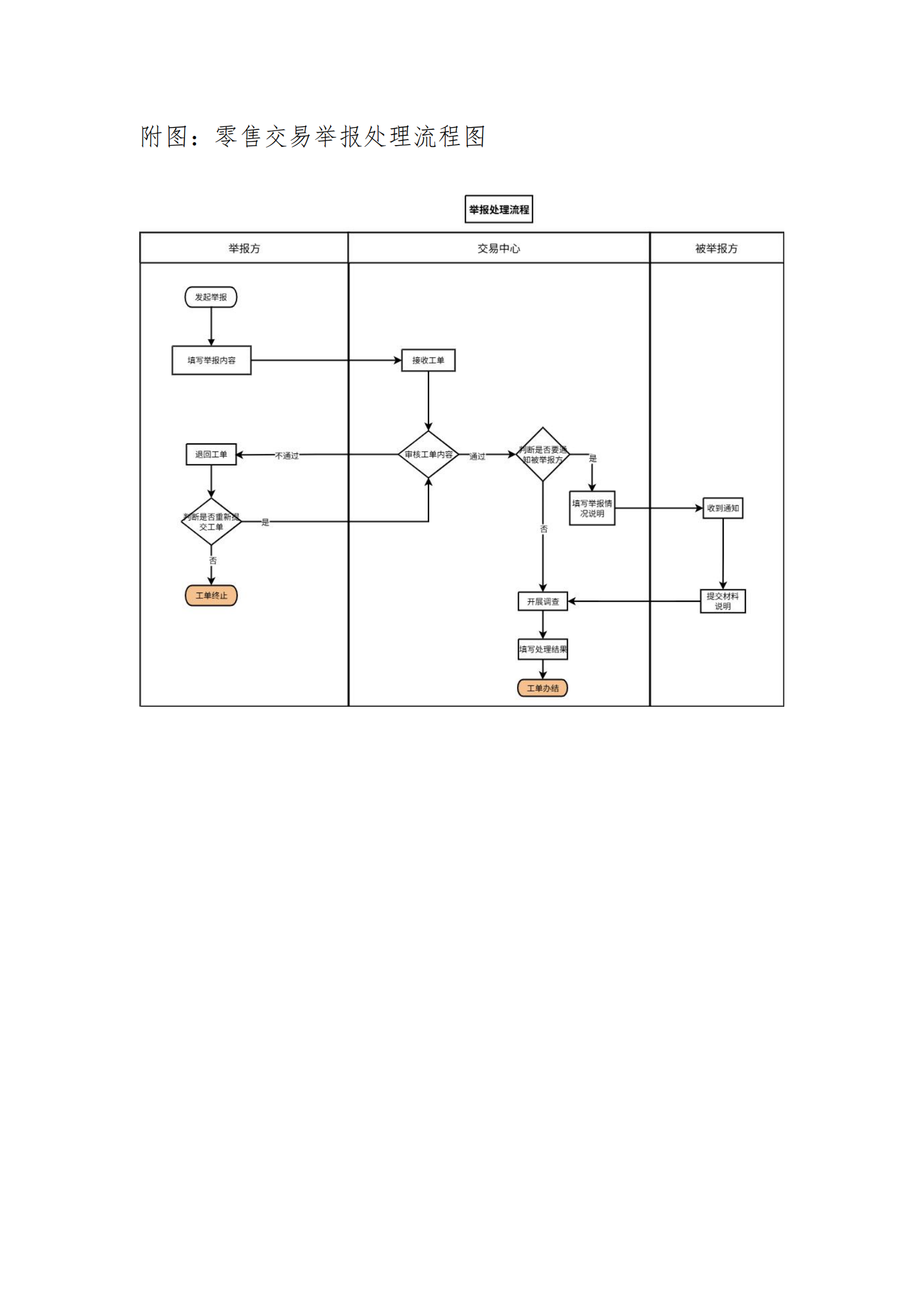
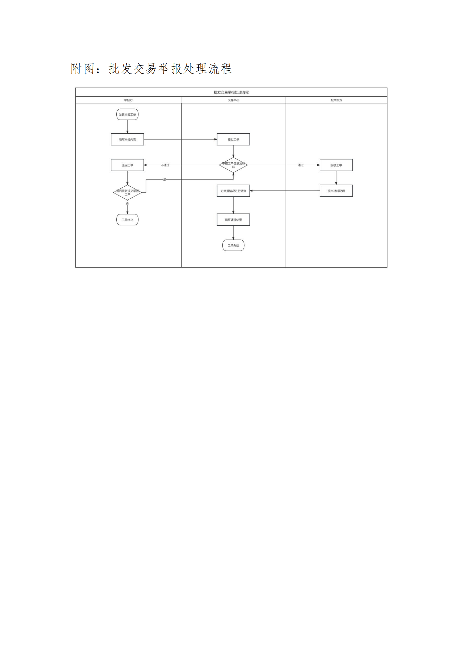
10月31日,广东电力交易中心印发实施《广东电力市场经营主体争议举报投诉工作指引》的通知。
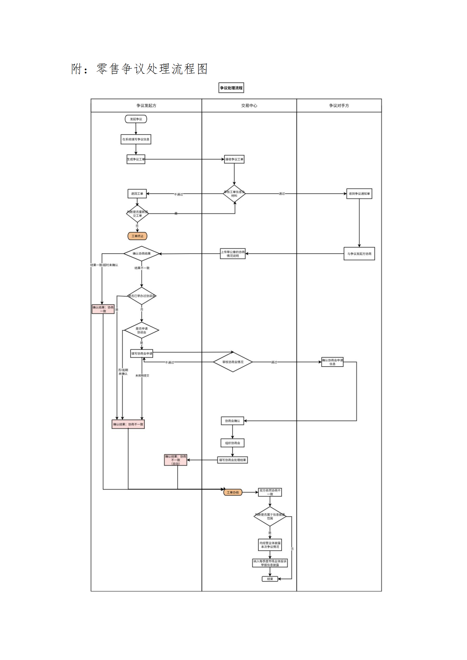
本指引所称争议,指的是经营主体在广东电力市场交易系统开展场内交易、签订电子交易合同等涉及平台业务活动过程中发生权益冲突,请交易中心协调解决的分歧和冲突。按照争议所属市场类型的不同,分为电力零售市场争议(以下简称“零售争议”)和电力批发市场争议(以下简称“批发争议”)。
零售争议是指售电公司与零售用户在电力零售交易中发生的权益冲突,且希望交易中心介入进行调解,包括但不限于下列情形:
(一)因零售套餐内容产生的争议;
(二)因零售合同条款产生的争议;
(三)因零售市场费用结算和清算产生的争议;
(四)因售电服务产生的争议;
(五)其它与电力零售市场交易相关的争议。
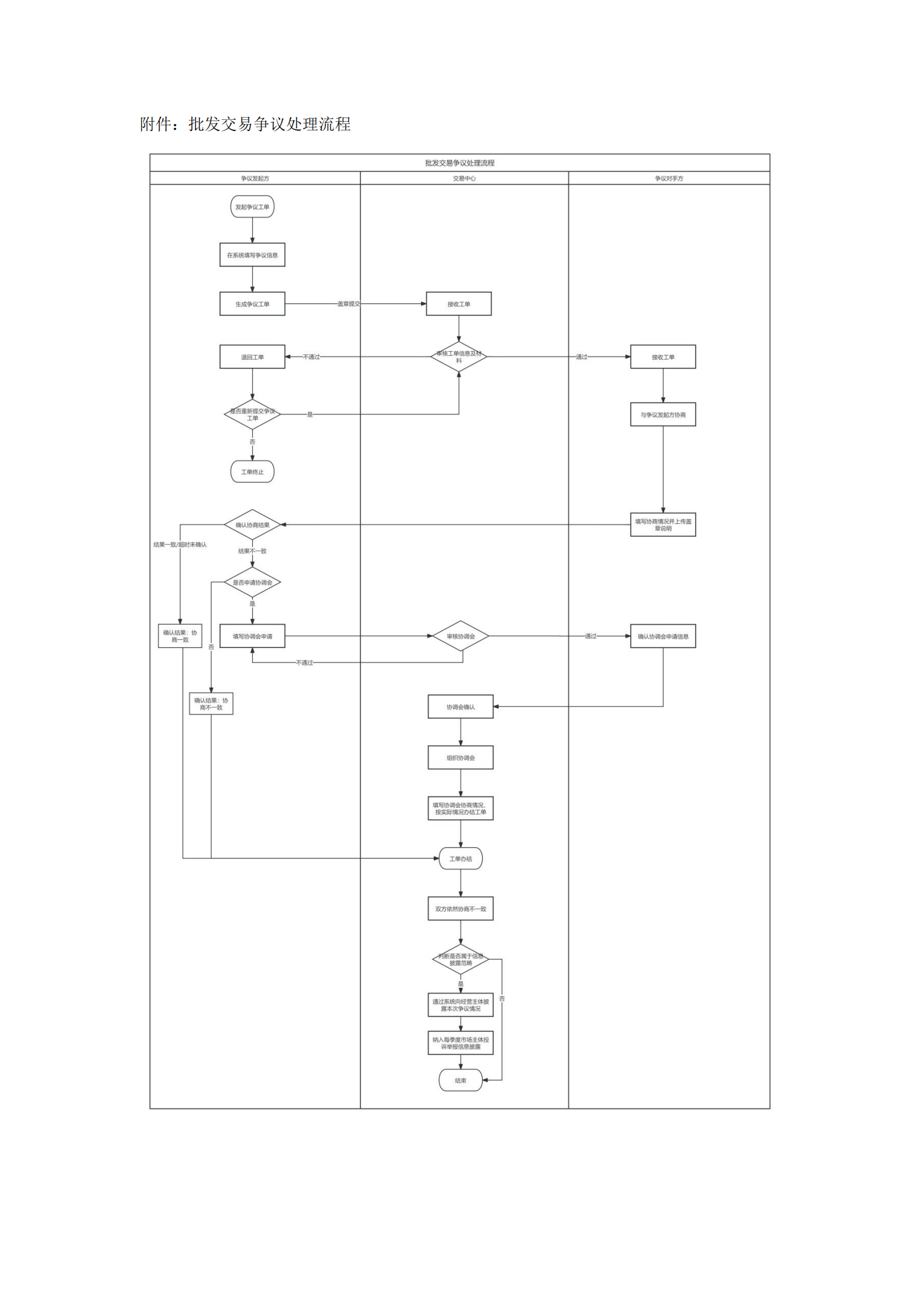
批发争议是指售电公司(或批发用户)与发电企业在电力批发市场交易中发生的权益冲突,且希望交易中心介入进行调解的,包括但不限于下列情形:
(一)因机组未投产、已成交电量超上限、主体退市等原因造成批发交易合约削减产生的争议;
(二)因主体自身原因导批发交易合约解约产生的争议;
(三)其它与电力批发市场交易相关的争议。
详情如下:




























特别声明:水电学会转载其他网站内容,出于传递更多信息而非盈利之目的,同时并不代表赞成其观点或证实其描述,内容仅供参考。版权归原作者所有,若有侵权,请联系我们删除。