来源:江门市新会区住房和城乡建设局
发布时间:2025年05月19日
点击数: 8584
日前,广东江门新会区印发分布式光伏发电项目建设工作指引,通知指出分布式光伏发电项目建设单位或个人应按照《电力建设工程备案管理规定》(电监资质〔2012〕69号)、《分布式光伏发电开发建设管理办法》(国能发新能规〔2025〕7号)及江门市发展改革局相关要求,按照“谁投资、谁备案”的原则确定备案主体。自然人户用光伏项目在属地供电所或新会供电局营业大厅报装,由电网企业集中代理向区发展改革局备案;非自然人户用、一般工商业、大型工商业分布式光伏项目由投资主体备案,投资主体在广东省投资项目在线审批监管平台办理备案手续。
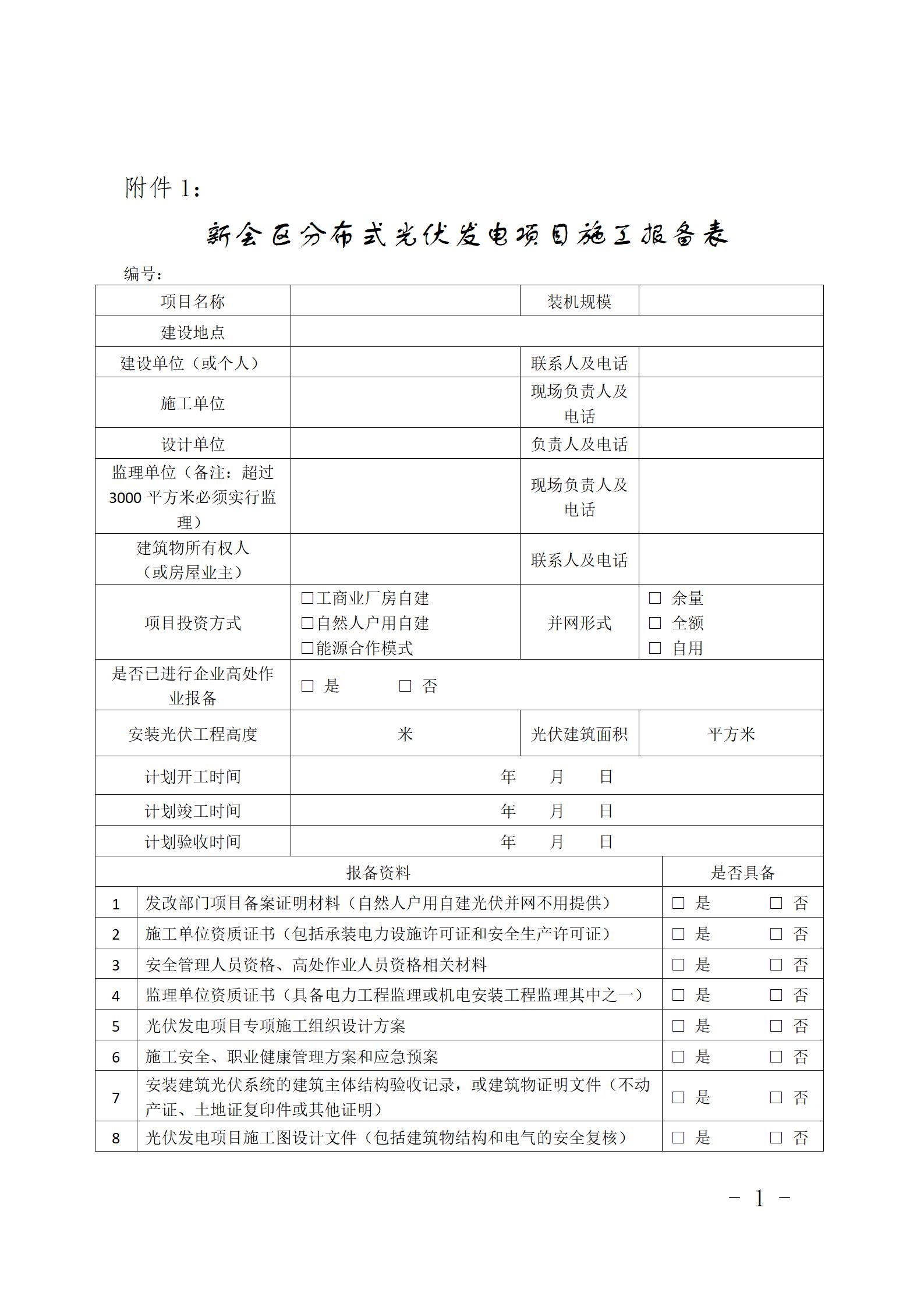
建设单位应在项目开工前携《新会区分布式光伏发电项目施工报备表》(附件1)及所要求的相关材料到属地供电所、镇政府(街道办、园区管委会)办理施工报备,农房(城镇房屋)光伏还需向村(居)委会报备。分布式光伏发电项目未完成施工报备,不得开工建设,供电部门不出具并网批复或方案。非经营性高度低于2.2米的小型分布式光伏设施不需办理《建设工程规划许可证》或《乡村建设规划许可证》,对于不符合以上要求的光伏设施,应按流程办理相关手续。
分布式光伏发电项目完工后,由项目建设单位组织设计、施工、监理、调试运行等相关单位,依法依规完成验收手续,向所属镇政府(街道办、园区管委会)提交《新会区分布式光伏发电项目(建筑部分)工程竣工报备表》(附件2)进行竣工报备。完成竣工报备后,可按程序向属地供电所申请办理并网验收。属地供电所按照《分布式光伏发电并网验收意见单》进行并网验收(附件3)。未办理竣工报备的,供电部门不予办理并网验收。镇政府(街道办、园区管委会)要形成《分布式光伏发电项目报备台账》(附件4),加强对分布式光伏发电项目施工报备、检查和竣工监管。
原文如下:
关于印发《新会区分布式光伏发电项目建设工作指引》的通知
各镇(街、区)政府(办事处、管委会、联合管委会):
经区人民政府同意,现将《新会区分布式光伏发电项目建设工作指引》印发给你们,请认真贯彻执行。
江门市新会区住房和城乡建设局 江门市新会区发展和改革局
江门市新会区自然资源局 江门市新会区城市管理和综合执法局
江门市新会区应急管理局 广东电网有限责任公司江门新会供电局
2025年5月12日
新会区分布式光伏发电项目建设工作指引
为推动我区分布式光伏发电应用,规范分布式光伏发电项目的规划、建设与管理,推动光伏产业与城乡建筑风貌协调发展,切实加强分布式光伏项目施工安全防范,有效遏制分布式光伏项目施工安全事故发生,根据《关于加强我市分布式光伏发电项目施工安全监管的通知》(江建质函〔2024〕52号)《江门市“光伏+建筑”风貌管控指引和图集(第一版)》以及《关于进一步加强我市分布式光伏项目备案建设管理的通知》的要求,制定该工作指引。
一、“光伏+建筑”农房建设项目风貌管控要求
需符合《江门市“光伏+建筑”风貌管控指引和图集(第一版)》的要求,主要包括:
(一)分区控制标准
(1)禁建区:“光伏+建筑”项目选址应符合国土空间规划,项目所依托的建(构)筑物应具有合法合规性。以下类型建筑屋顶不应安装光伏组件:
①已鉴定为C级、D级的危房和存在安全隐患的老旧房屋;
②火灾危险性分类为甲类、乙类的建筑;
③周边存在大量粉尘和腐蚀气体的建筑;
④已列入拆迁计划的建筑;
⑤文物建筑;
⑥历史建筑、碉楼;
⑦风景名胜区、历史文化(名镇名村)保护区、传统村落、世界遗产地的遗产区和缓冲区、文物保护单位保护范围和建控地带内安装后对整体风貌造成不良影响的建筑;
⑧其他不适宜加装光伏的建(构)筑物。
(2)风貌管控区:“光伏+建筑”项目建设应按照分类管控的原则,依据项目位置合理确定风貌管控要求。城区入口通道、主干街道、圩镇客厅商业中心、绿道碧道、公园、国省道沿线历史文化名镇名村等重点区域的“光伏+建筑”项目应紧密结合风貌建设,应满足我省已颁布的相关规范指引中的风貌管控要求。
(3)宜建区:除禁建区及风貌管控区以外的其他区域。
(二)通用建设规范
(1)建筑为坡屋面结构时,光伏组件应顺坡安装,组件不应超过该安装屋面最高点,组件方阵表面与安装屋面垂直高度不应超过30厘米;建筑为平屋面结构时,屋顶安装的光伏组件最高点距离铺设平面的高度不得高于2.8米,其中有楼梯间的居民分布式光伏项目,光伏组件安装于楼梯间屋面的,最高点应不高于楼梯间屋面1米(且最高点应不高于屋顶屋面4米),楼梯间与屋面的光伏系统应分层设计,且四周均不得围蔽形成建筑使用空间。
(2)光伏组件覆盖范围不得超越建筑物主体结构轮廓线,城镇建成区临街建筑物的光伏组件覆盖范围应距离临街一侧的建筑物主体结构轮廓线不少于1米。平屋面安装光伏发电系统时,应利用女儿墙等建筑构件对光伏组件进行适当围挡,确保不影响建筑外立面风貌、不发生高空坠物。
二、规范光伏发电项目建设流程
(一)备案。分布式光伏发电项目建设单位或个人应按照《电力建设工程备案管理规定》(电监资质〔2012〕69号)、《分布式光伏发电开发建设管理办法》(国能发新能规〔2025〕7号)及江门市发展改革局相关要求,按照“谁投资、谁备案”的原则确定备案主体。自然人户用光伏项目在属地供电所或新会供电局营业大厅报装,由电网企业集中代理向区发展改革局备案;非自然人户用、一般工商业、大型工商业分布式光伏项目由投资主体备案,投资主体在广东省投资项目在线审批监管平台办理备案手续。
(二)施工报备。建设单位应在项目开工前携《新会区分布式光伏发电项目施工报备表》(附件1)及所要求的相关材料到属地供电所、镇政府(街道办、园区管委会)办理施工报备,农房(城镇房屋)光伏还需向村(居)委会报备。分布式光伏发电项目未完成施工报备,不得开工建设,供电部门不出具并网批复或方案。非经营性高度低于2.2米的小型分布式光伏设施不需办理《建设工程规划许可证》或《乡村建设规划许可证》,对于不符合以上要求的光伏设施,应按流程办理相关手续。
(三)验收。分布式光伏发电项目完工后,由项目建设单位组织设计、施工、监理、调试运行等相关单位,依法依规完成验收手续,向所属镇政府(街道办、园区管委会)提交《新会区分布式光伏发电项目(建筑部分)工程竣工报备表》(附件2)进行竣工报备。完成竣工报备后,可按程序向属地供电所申请办理并网验收。属地供电所按照《分布式光伏发电并网验收意见单》进行并网验收(附件3)。未办理竣工报备的,供电部门不予办理并网验收。镇政府(街道办、园区管委会)要形成《分布式光伏发电项目报备台账》(附件4),加强对分布式光伏发电项目施工报备、检查和竣工监管。
三、加强光伏发电项目施工安全监管力度
(一)健全完善监管机制。分布式光伏发电项目由镇政府(街道办、园区管委会)负责施工安全监管,区发展改革、住房城乡建设、应急管理、自然资源和城市管理综合执法等部门按职能指导项目镇政府(街道办、园区管委会)开展分布式光伏发电项目施工安全监管相关工作。镇政府(街道办、园区管委会)应加强日常施工安全检查,在项目开工前现场核查项目开工条件。每月25日前报送《每月分布式光伏发电项目检查记录表》(附件5)至区住房城乡建设局。区住房城乡建设局收集汇总各镇政府(街道办、园区管委会)报表数据,每月28日前报送市住房城乡建设局,并抄送区发展改革局和区应急管理局。
(二)压实企业主体责任。施工单位应严格按照《建筑光伏系统应用技术标准》GB/T 51368、《电力建设工程施工安全管理导则》NB/T 10096、《建设工程施工现场供电安全规范》GB 50194等规范和我市《关于进一步加强高处作业安全防范工作的通知》《关于开展全市工贸企业高处作业安全专项整治行动的通知》(江安生办〔2024〕111号)等文件要求,落实工人进场安全教育及安全技术交底,根据工程实际情况重点加强施工现场高处作业、起重吊装、施工临时用电、消防安全等方面安全管控。项目施工总承包单位应对专业分包和劳务分包单位资质和人员资格进行审核,并将专业分包和劳务分包合同报建设单位审批,严禁施工单位转包和违法分包,将分包单位纳入工程安全管理体系,严禁以包代管。
(三)压紧企业安全管理人员责任。施工单位项目负责人应联合建设单位项目负责人每周组织开展施工安全巡查,对照《分布式光伏发电项目施工安全检查表》(附件6)逐项排查现场施工安全隐患,记录并建立隐患排查整改台账,定时、定人、定措施整改现场施工安全隐患。项目安全管理人员应认真落实班前晨会制度,告知施工作业安全风险,提高施工人员安全意识,增强安全防范能力,规范施工作业流程。建立专职安全员每日巡查制度及时发现、报告、整改施工安全隐患,如实记录施工安全日志。
(四)加强督导检查力度。项目开工后,区住房城乡建设局联合发展改革、应急管理、自然资源、城市管理综合执法、建(构)筑物或场地所属单位或个人的上级行业主管部门等相关部门,对分布式光伏发电项目施工现场安全生产情况进行每月督导检查,重点检查施工现场情况复杂、作业面高度较高等容易造成人员重伤死亡的高风险项目。检查发现隐患和问题,检查组以书面形式告知相关责任单位,并交由镇政府(街道办、园区管委会)跟踪落实整改。存在违法违规行为的,由相关责任部门依法查处。其中,未办理施工报备擅自施工的,由属地执法部门责令停工整改;光伏发电项目属于违法建设的,由属地执法部门依法进行查处;光伏发电项目发生生产安全责任事故的,由区应急管理局或相关部门依法对相关责任单位和责任人进行处罚。
四、其他要求
(一)本指引自印发之日起实施。指引印发前已办理施工报备、在建、竣工的光伏发电项目,按所属镇政府(街道办、园区管委会)的原工作要求进行管理。
(二)在农业、水利、交通等工程项目上安装光伏发电项目的,由农业、水利、交通等主管部门参照本指引,联合相关职能部门对光伏发电项目进行督导检查,指导镇政府(街道办、园区管委会)相关内设办公室进行光伏发电项目的施工报备、检查、竣工监管等工作。
附件: 1.新会区分布式光伏发电项目施工报备表
2.新会区分布式屋顶光伏(建筑部分)工程竣工报备表
3.分布式光伏发电项目报备台账
4.镇(街道)分布式光伏发电项目报备台账
5.每月分布式光伏发电项目检查记录表
6.分布式光伏发电项目施工安全检查表










特别声明:水电学会转载其他网站内容,出于传递更多信息而非盈利之目的,同时并不代表赞成其观点或证实其描述,内容仅供参考。版权归原作者所有,若有侵权,请联系我们删除。